Résultats de recherche

10 résultats

theRonda S360-100 UP WH (N° de réf. 2080520 / N° ELDAS® 535832600)

  • Détecteur de présence passif-infrarouge pour montage au plafond
  • Zone de détection circulaire 360 °, jusqu‘à Ø 9 m (64 m2)
  • Commande automatique en fonction de la présence et de la luminosité des systèmes d‘éclairage
Afficher davantage
datasheet_hts_2080520_fr - Fiche technique

datasheet_hts_2080520_fr - Fiche technique

Nom du produit theRonda S360-100 UP WH
N° de réf. 2080520
N° ELDAS® 535832600
Type de document Fiche technique
Format pdf
Téléchargement
theRonda S360-100 UP - Texte de soumission

theRonda S360-100 UP - Texte de soumission

Nom du produit theRonda S360-100 UP WH
N° de réf. 2080520
N° ELDAS® 535832600
Type de document Texte de soumission
Format DOC
Langue allemand
Téléchargement
theRonda S360-100 UP - Notice d'utilisation

theRonda S360-100 UP - Notice d'utilisation

Nom du produit theRonda S360-100 UP GR, theRonda S360-100 UP WH, theRonda S360-100 UP GST, theRonda S360-100 UP WIN, theRonda S360-101 SP GST, theRonda S360-101 SP WIN, theRonda S360 Slave S GST, theRonda S360 Slave S WIN
N° de réf. 2080521, 2080520, 2080510, 2080511, 2080514, 2080515, 2080512, 2080513
N° ELDAS® 535832605, 535832600
Type de document Notice d'utilisation
Format PDF
Téléchargement
A_Einzel_1

A_Einzel_1

Nom du produit thePrema S360-100 UP GR, thePrema S360-100 UP WH, thePrema S360-100 E UP GR, thePrema S360-100 E UP WH, theRonda P360-100 M UP WH, theRonda P360-100 M UP GR, theRonda S360-100 UP GR, theRonda S360-100 UP WH
N° de réf. 2070501, 2070500, 2070601, 2070600, 2080020, 2080021, 2080521, 2080520
N° ELDAS® 535834100, 535834000, 535834110, 535834010, 535830500, 535830505, 535832605, 535832600
Type de document Schémas de raccordement
Format jpg
Langue -
Téléchargement
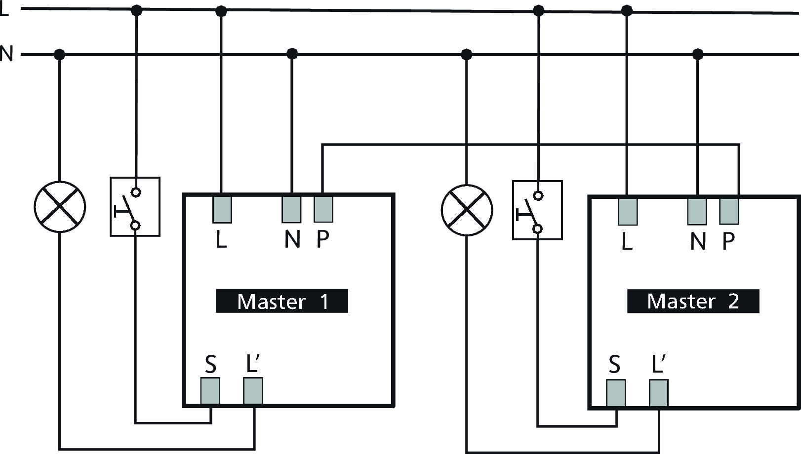
A_Parallel_Master_Master_1

A_Parallel_Master_Master_1

Nom du produit thePrema S360-100 UP GR, thePrema S360-100 UP WH, thePrema S360-100 E UP GR, thePrema S360-100 E UP WH, theRonda P360-100 M UP WH, theRonda P360-100 M UP GR, theRonda S360-100 UP GR, theRonda S360-100 UP WH
N° de réf. 2070501, 2070500, 2070601, 2070600, 2080020, 2080021, 2080521, 2080520
N° ELDAS® 535834100, 535834000, 535834110, 535834010, 535830500, 535830505, 535832605, 535832600
Type de document Schémas de raccordement
Format jpg
Langue -
Téléchargement
theRonda_theMova_P360_WH

theRonda_theMova_P360_WH

Nom du produit theRonda P360-101 UP WH, theRonda P360-100 UP WH, theMova P360-100 UP WH, theRonda P360-100 M UP WH, theRonda P360-101 M UP WH, theRonda P360 Slave UP WH, theRonda P360-330 DALI UP WH, theRonda P360-110 DALI UP WH, theRonda S360-110 DALI UP WH, theRonda S360-100 UP WH, theRonda S360-101 UP WH, theRonda S360 Slave UP WH
N° de réf. 2080005, 2080000, 1030600, 2080020, 2080025, 2080030, 2080045, 2080040, 2080580, 2080520, 2080525, 2080530
N° ELDAS® 535830805, 535830800, 535840800, 535830500, 535830510, 535830570, 535830806, 535830804, 535835804, 535832600, 535832610, 535832800
Type de document Photos des produits
Format jpg
Langue -
Téléchargement
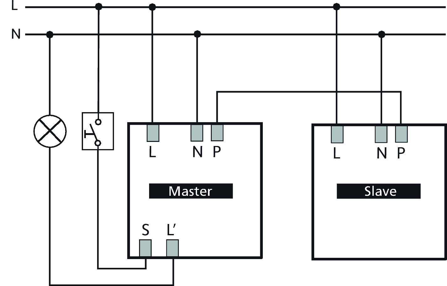
A_Parallel_Master_Slave_1

A_Parallel_Master_Slave_1

Nom du produit thePrema S360-100 UP GR, thePrema S360-100 UP WH, thePrema P360 Slave UP WH, thePrema P360 Slave UP GR, thePrema S360 Slave UP GR, thePrema S360 Slave UP WH, thePrema S360-100 E UP GR, thePrema S360-100 E UP WH, thePrema P360 Slave E UP WH, thePrema P360 Slave E UP GR, thePrema S360 Slave E UP WH, thePrema S360 Slave E UP GR, theRonda P360-100 M UP WH, theRonda P360-100 M UP GR, theRonda S360-100 UP GR, theRonda S360-100 UP WH
N° de réf. 2070501, 2070500, 2070030, 2070031, 2070531, 2070530, 2070601, 2070600, 2070130, 2070131, 2070630, 2070631, 2080020, 2080021, 2080521, 2080520
N° ELDAS® 535834100, 535834000, 535836000, 535836100, 535837100, 535837000, 535834110, 535834010, 535836010, 535836110, 535837010, 535837110, 535830500, 535830505, 535832605, 535832600
Type de document Schémas de raccordement
Format jpg
Langue -
Téléchargement
theRonda_theMova

theRonda_theMova

Nom du produit theRonda P360-101 UP WH, theRonda P360-101 UP GR, theRonda P360-100 UP GR, theRonda P360-100 UP WH, theMova P360-100 UP GR, theMova P360-100 UP WH, theMova P360-100 WH WINSTA, theMova P360-100 WH GST, theRonda P360-100 M UP WH, theRonda P360-100 M UP GR, theRonda P360-101 M UP GR, theRonda P360-101 M UP WH, theRonda P360 Slave UP GR, theRonda P360 Slave UP WH, thePassa P360-101 UP WH, thePassa P360-101 UP GR, thePassa P360 Slave UP GR, thePassa P360 Slave UP WH, thePassa P360-221 DALI UP WH, thePassa P360-221 DALI UP GR, theRonda S360-100 UP GR, theRonda S360-100 UP WH, theRonda S360 Slave UP WH, theRonda S360 Slave UP GR
N° de réf. 2080005, 2080006, 2080001, 2080000, 1030601, 1030600, 1030615, 1030610, 2080020, 2080021, 2080026, 2080025, 2080031, 2080030, 2010300, 2010301, 2010331, 2010330, 2010340, 2010341, 2080521, 2080520, 2080530, 2080531
N° ELDAS® 535830805, 535830845, 535830840, 535830800, 535840840, 535840800, 535830500, 535830505, 535830515, 535830510, 535830575, 535830570, 535832300, 535832305, 535832705, 535832700, 535832400, 535832405, 535832605, 535832600, 535832800, 535832805
Type de document Schémas dimensionnels
Format jpg
Langue -
Téléchargement

La simplicité toujours présente. Les nouveaux détecteurs de présence theRonda S

La simplicité toujours présente. Les nouveaux détecteurs de présence theRonda S Les nouveaux détecteurs de présence theRonda S UP pour montage au plafond commandent de manière fiable l’éclairage en fonction de la présence dans les petits bureaux ou locaux de service bénéficiant d'un éclairage naturel. La classe de protection IP 54 permet une utilisation en locaux humides. Die Highlights der theRonda S UP Präsenzmelder im Überblick:Einfache Deckenmontage: Per UP-Dose  Runder Erfassungsbereich: Ma...

Afficher davantage